Bạc cuống phun CD hay còn gọi là Bạc bơm nhựa nằm trong linh kiện khuôn mẫu, có tác dụng dẫn dòng nhựa từ đầu máy ép phun đến kênh dẫn nhựa.

Bạc cuống phun CD khác với bạc khác là lỗ đầu phun có kích thước lớn hơn hẳn,
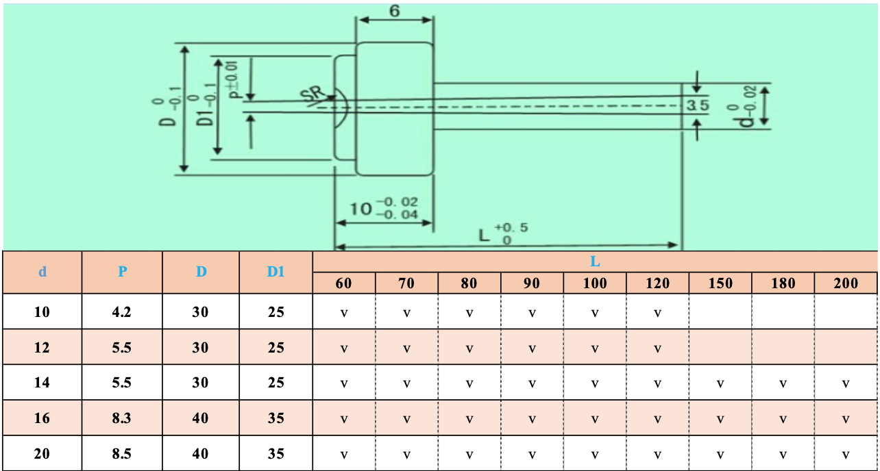
Chi tiết thông số kỹ thuật của bạc bơm lỗ to CD:

-------------------------------------------------------------
Để liên hệ tư vấn về các loại linh kiện khuôn mẫu như chốt dẫn hướng, lò xo, chốt hồi, vít bịt, bu lông kéo, vòng định vị, bạc cuống phun, bạc dẫn hướng … giá tốt nhất cùng với dịch vụ service chất lượng tốt nhất thị trường Việt Nam.
Luôn sẵn tồn kho lớn – giao hàng ngay!
ĐÔNG DƯƠNG EQUIPMENT CO.,LTD
– Hotline : (024).7300.1868
– Email : info@thietbidongduong.com
Địa chỉ: Số 124 Lê Trọng Tấn, La Khê, Q. Hà Đông, TP. Hà Nội
