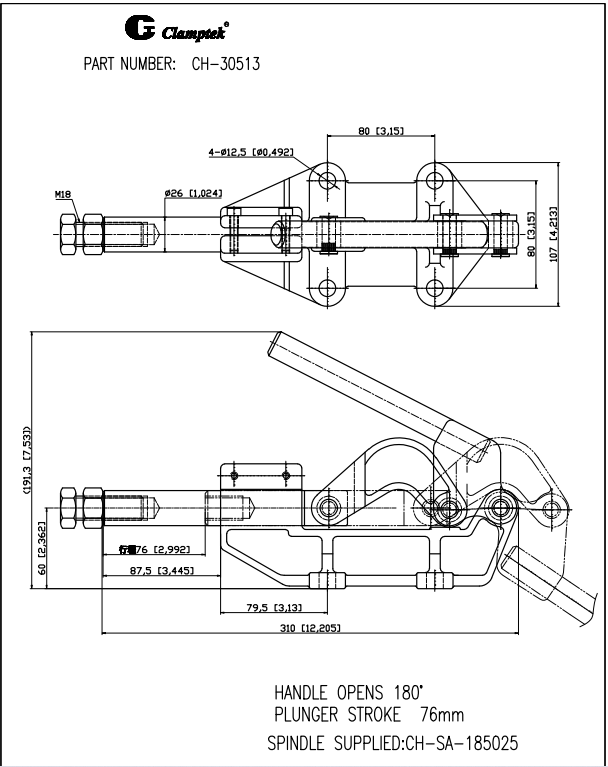
Kẹp định vị CH-30513 xuất xứ Đài Loan, là dạng kẹp nhanh với đầu kẹp di chuyển tịnh tiến dạng đẩy ngang, được sử dụng trong hệ thống máy móc tự động hóa, jig đồ gá, xưởng sản xuất, tiết kiệm nhân công và mang lại hiệu suất lao động cao.
---------------------------------------

Thông số kỹ thuật kẹp định vị CH:
- Model: CH-30513
- Dữ liệu sản phẩm:
+ Bản vẽ PDF dowload tại đây
+ Bản vẽ CAD dwg
+ File step 3D
Ứng dụng kẹp định vị CH trong công nghiệp sản xuất:
- Sử dụng lắp ráp trong trên ô tô tải, các xưởng sản xuất xe máy, xe đạp, gia công sản xuất bản mảnh điện tử.
- Sử dụng trong xưởng gá kẹp gia công lắp ráp khuôn mẫu.
- Trong xưởng sản xuất các sản phẩm kẹp gỗ, chuyển đổi hướng kẹp sản phẩm.
- Trong xưởng gia công CNC, cắt gọt kim loại
----------------------------------------------------
Để liên hệ tư vấn về các loại cam kẹp định vị như kẹp định vị dạng ngang, kẹp đứng, kẹp đẩy ngang, kẹp khóa móc nhanh, kẹp thủy lực, hệ thống kẹp khuôn … giá tốt nhất cùng với dịch vụ service chất lượng tốt nhất thị trường Việt Nam.
Luôn sẵn tồn kho lớn – giao hàng ngay!
ĐÔNG DƯƠNG EQUIPMENT CO.,LTD
☎️ Hotline : (024).7300.1868
📩 Email : info@thietbidongduong.com
🌐 Địa chỉ: Số 124 Lê Trọng Tấn, La Khê, Q. Hà Đông, TP. Hà Nội