DANH MỤC SẢN PHẨM

Cách tháo lắp nhanh chốt định vị

Admin
Chủ Nhật, 21/09/2025

Chốt định vị được sử dụng nhiều trong khuôn mẫu, jig đồ gá máy móc ... được lắp chặt vào lỗ được gia công, với dung sai lắp chặt, nên việc tháo bằng tay là điều không thể. Do vậy kỹ thuật viên tháo lắp chốt định vị ra khỏi khuôn và chi tiết, cần các thiết bị cơ bản như dụng cụ tháo lắp chuyên dùng, nếu không sẵn có thể dùng kìm, cờ lê, bu lông dài có ren tương ứng trên chốt định vị ( nếu là loại chốt có ren) ...

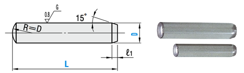
Cấu tạo của chốt định vị

Chốt định vị có ren

- Hình ảnh của chốt thì có nhiều hình dáng khác nhau như loại có bậc, loại đầu vát tròn, vát côn, vát dạng bi ... nhưng quy chung lại thì thân sẽ tròn, một đầu sẽ có ren để tiện cho việc tháo lắp khi bảo dưỡng thay thế.
- Các loại đường kính của chốt phổ biến hiện nay như: Chốt định vị phi 5, phi 6, phi 8, phi 10, phi 12, phi 13, phi 14, phi 15, phi 16, phi 18, phi 20, phi 25 ... tương ứng với lỗ ren khoan trong như ren M3, M4, M5, M6, M8 ...
- Các vật liệu thường dùng: Suj2, SKD61, 20Cr, inox 304, sus 316 ...  + xử lý nhiệt để đạt độ cứng cao, một số trường hợp đặc biệt có thể dùng vật liệu bằng nhựa

Chốt định vị không ren

- Hình ảnh của các loại chốt không ren chỉ khác loại có ren, là một đầu sẽ không có lỗ ren, mục đích của người chế tạo của loại chốt này, mong muốn độ cứng vững tốt hơn, và lắp ghép vào các chi tiết máy móc ít khi có nhu cầu tháo lắp .. và giảm giá thành của chốt. Tuy nhiên nếu phải tháo lắp chốt thì sẽ vất vả hơn loại có ren.
- Vật liệu thường dùng: Suj2, SKD61, inox không gỉ 304, 316 .. + nhiệt luyện.

Dụng cụ tháo lắp chốt định vị

- Trong xưởng cơ khí, có nhiều loại dụng cụ đang được mỗi xưởng tháo lắp khác nhau, từ thô sơ cho đến loại chuyên dùng, dưới đây là một số loại được chúng tôi sưu tập từ xưởng bảo dưỡng khuôn mẫu mà khách hàng đang sử dụng:

dụng cụ tháo nhanh chốt định vị

Cách này kỹ thuật viên bảo dưỡng tháo lắp khuôn hay các thiết bị jig đồ gá máy móc, sẽ sử dụng dụng cụ chuyên dùng như hình ảnh trên, đầu ren lắp loại ren tương ứng với lỗ ren trên chốt định vị, và dùng tay giật mạnh ra ngoài,

Tháo lắp với chốt định vị không ren

- Kỹ thuật viên trong xưởng khuôn mẫu phải sử dụng các dụng cụ cơ bản như búa đóng, chốt kê ,, và đóng nhẹ vào đầu pin, để pin rơi ra dần dần, có thể sử dụng thêm kìm để xoáy khi chốt lồi ra khỏi phần lỗ.

-----------------------------
Để liên hệ tư vấn về các loại linh kiện khuôn mẫu như chốt dẫn hướng, lò xo, chốt hồi, vít bịt, bu lông kéo, vòng định vị, bạc cuống phun, bạc dẫn hướng … giá tốt nhất cùng với dịch vụ service chất lượng tốt nhất thị trường Việt Nam.
Luôn sẵn tồn kho lớn – giao hàng ngay!

ĐÔNG DƯƠNG EQUIPMENT CO.,LTD
☎️ Hotline : (024).7300.1868
📩 Email : info@thietbidongduong.com
🌐 Địa chỉ: Số 124 Lê Trọng Tấn, P. Hà Đông, TP. Hà Nội

Thu gọn
Hotline HN: 0936.703.186 HN Hotline HCM: 0919.591.786 HCM
Liên hệ qua Zalo